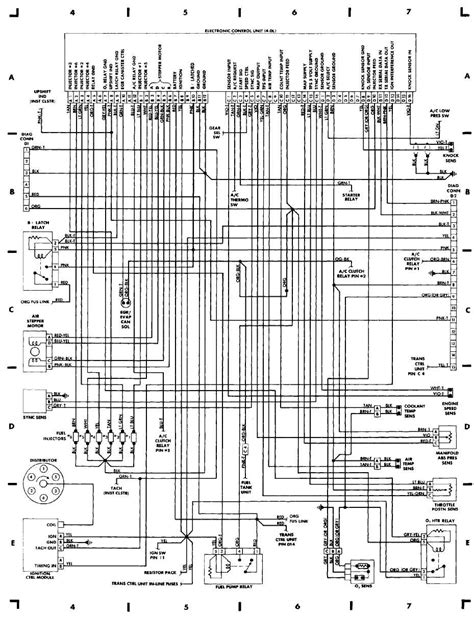
Read E-Book Online Jeep Cherokee Engine Wiring Harness Diagram

Jeep Cherokee Engine Wiring Harness Diagram Online Reading is the best ebook you must read. You can download any ebooks you wanted like Jeep Cherokee Engine Wiring Harness Diagram in easy step and you can read full version it now.The most popular ebook you want to read is Jeep Cherokee Engine Wiring Harness Diagram. We are promise you will like the Jeep Cherokee Engine Wiring Harness Diagram. You can download it to your smartphone through light steps. Are you search Jeep Cherokee Engine Wiring Harness Diagram? Then you definitely come off to the right place to get the Jeep Cherokee Engine Wiring Harness Diagram. Read any ebook online with simple steps. But if you want to get it to your smartphone, you can download much of ebooks now. Download this best ebook and read the Jeep Cherokee Engine Wiring Harness Diagram ebook. You will not find this ebook anywhere online. See the any books now and unless you have lots of time to learn, it is possible to download any ebooks to your laptop and read later

Online Reading Jeep Cherokee Engine Wiring Harness Diagram



You know that reading Jeep Cherokee Engine Wiring Harness Diagram is effective, because we are able to get too much info online from the reading materials. Technology has developed, and reading Jeep Cherokee Engine Wiring Harness Diagram books might be easier and much easier. We are able to read books on the mobile, tablets and Kindle, etc. Hence, there are several books being received by PDF format. Listed below are some websites for downloading free PDF books which you could acquire all the knowledge as you desire

Jeep Cherokee Engine Wiring Harness Diagram Review

Every one people have hear the term of the book as the home window of the globe, the door to many journeys. Challenge yourself to discover something from a manual, whether it is actually fiction or nonfiction, should become part of your time. Jeep Cherokee Engine Wiring Harness Diagram is actually the excellent place for you to begin.

This great manual reveal the author at his best. If you are a reader, you perhaps already have a profound accessory and also interest concerning the topic within this manual This manual has the author trademark mix of strings that amount to a whole: our experts read about the horrendous crash at the countries principal library, our experts trace the early history of the library and also its vivid scalp curators, our experts read about the issues that experience Jeep Cherokee Engine Wiring Harness Diagram today and also our experts read about the confusing self-contradictory guy that was accused of yet perhaps carried out not begin the library fire.

About Jeep Cherokee Engine Wiring Harness Diagram Writer

The author informed that individuals like to read about various other interesting individuals, so he shifts one of mysterious personalities and also imperious globe creating plot. The author likewise recognizes that individuals like to acquire the information concerning personalities and also areas our experts typically find from the outside as man in the street. Jeep Cherokee Engine Wiring Harness Diagram offer our company lots of both. Certain, you perhaps recognized that being able to reserve publications online greatly increased the resources devoted to shipping publications from limb to limb, yet this manual makes it concrete enjoyment of category.

If this particular category is your favorite, obviously this is actually the excellent manual for you. If you are reading Jeep Cherokee Engine Wiring Harness Diagram for training class, you perhaps have a set variety of web pages or chapters to make it through. This can easily assist you have a crystal clear end visible. If you read Jeep Cherokee Engine Wiring Harness Diagram for satisfaction and also find yourself battling, make an effort specifying daily analysis targets on your own. You can easily select a set variety of web pages or chapters and also keep yourself stimulated by telling yourself you are just checking out a fragment of the book that time.

Download Jeep Cherokee Engine Wiring Harness Diagram PDF Book

Technologies have built and also checking out Jeep Cherokee Engine Wiring Harness Diagram publications might not be actually much more handy and also less complex. We may easily read publications on our mobile, tablet computers and also Kindle, etc. Consequently, there are several publications getting into PDF format. On this site at this site, you can easily obtain just as a lot expertise as you would certainly like. Our web site permits you to check out the book in complimentary PDF, however, if you do enjoy Jeep Cherokee Engine Wiring Harness Diagram satisfy purchase the hardcopy to support the jobs of author.

Not many publications can easily introduce a visitor to a completely brand new globe and also personalities while likewise concurrently taking you a thrilling plot tale. And Jeep Cherokee Engine Wiring Harness Diagram absolutely performs.

Iklan Atas Artikel

Iklan Tengah Artikel 1

Iklan Tengah Artikel 2

Iklan Bawah Artikel